產品概述:
本公司液壓手動泵廣泛應用于各種行業的液壓機械設備配套,如液壓登車橋、液壓升降臺、管道閥、卸貨平臺、掃地機、船舶、起重、煤礦等液壓機械設備上以及配套電動液壓設備無電時應急手動液壓使用。
該手壓泵的主要特點是:排量大(雙向搖動都能出油)、保壓性能好,結構緊湊精致、安裝方便,操作簡單,應用范圍廣。
產品型號及主要參數:
手動泵型號:SYB-E28(原型號SDB-E28)
額定壓力:15MPa(最大壓力可至25MP)
額定排量:28ml/次
最大手搖力:≤400N
重量約:5Kg
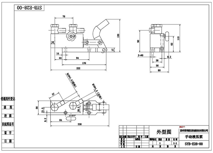
外形尺寸約:230×80×120mm